git clone [email protected]:nomemory/lc3-vm.gitenviroment :
- code is written in C11
- Based on LC-3 Computer Architecture
-
Target : 在本文結束時,我們將擁有一個基於暫存器的工作虛擬機,能夠解釋和執行一組有限的 ASM 指令以及一些額外的程式來測試一切是否正常。
-
進階 : Write your Own Virtual Machine by Justin Meiners and Ryan Pendleton.
-
another programming language(Rust) implement : check this out
- System Virtual Machines : 提供real machine的完整替代品。它們實現了足夠的功能,允許作業系統在它們上運行。它們可以共享和管理硬件,有時多個環境可以在同一台實體機器上運行而不會互相妨礙。
- Process Virtual Machines : 它們更簡單,旨在在與平台無關的環境中執行電腦程式(ex. JVM)
- 為簡單起見,我們特意從以下功能中剝離了 LC-3 實作:中斷處理、優先權、行程、狀態暫存器 (Program Status Register, PSR)、特權模式、管理程式堆疊、使用者堆疊。我們將只虛擬化最基本的硬件,並且我們將透過陷阱與外界(stdin、stdout)進行互動。
- CPU is divided into three layers : ALU, CU, and Registers
- ALU : 代表實際執行數據指令的電路(ex. ADD, XOR, Division, etc.)
- CU : 協調 CPU 上的活動
- Register : 暫存器是位於 CPU 層級的可快速存取的 "slots"。 ALU 對暫存器進行操作。它們的數量很少(這是一個相對的說法,因為它取決於架構),因此 CPU 內可以載入的資料量是有限的。我們使用暫存器與Main Memory互動。典型的場景包括將記憶體位置載入到暫存器中,執行一些更改,然後將資料放回記憶體中。
- Main Memory : 主記憶體被想像為一個由 W 個 words 組成的擴展 “array”,每個 words 有 N 位元。程式指令和相關資料以二進位格式儲存在主記憶體中。每個記憶體字包含一條指令或程式資料(例如,用於計算的數字)
- Input/Output device : 使電腦能夠與外界進行通訊
- VM functions like this:
- Load the program into the main memory
- In the
RPCregister, keep the current instruction that we need to executeRPC: return program counter - Obtain the Operation Code(first 4 bits) from the instruction and based on that, we decode the rest of the parameters
- Execute the method associated with the given instruction
- Increment
RPCand continue with the next instruction
-
W = UINT16_MAX, N = 16 bits
- W : 主記憶體中總共有多少個 entry
- N : 每個 entry 的大小是多少個 bits
uint16_t PC_START = 0x3000; uint16_t mem[UINT16_MAX+1] = {0};
-
UINT16_MAX=65535, 所以此 system 無法 run/load 超過 65535 條指令的程式
-
將
0x3000以下的空間保留給其他 potential components使用(ex. toy operating system) -
儘管可以直接讀取或寫入main memory(因為沒有額外的映射機制), 但未來若要添加額外的邏輯(映射)或對記憶體存取施加驗證時,會較不方便,所以添加了兩個 function, for reading(mr(...)), for writing(mw(...))
static inline uint16_t mr(uint16_t address) { return mem[address]; } static inline void mw(uint16_t address, uint16_t val) { mem[address] = val; }
- 共有 10 個 registers, 每個 size 為 16 bits
RO: general-purpose register. 用來 reading/writing data from/tostdin/stdoutR1,R2, ...R7: general-purpose registersRPC: program counter register. 保存下一個將要執行指令的記憶體位置RCND: conditional register. 此 flag 保存前一次
enum regist {R0 = 0, R1, R2, R3, R4, R5, R6, R7, RPC, RCND, RCNT}; uint16_t reg[RCNT] = {0};
example : access the R3.
reg[R3] = ...;
-
- first 4 bits for OP code
- remaining 12 bits for params
-
根據 OP code , 了解如何從剩下的 bits 中 "decode"/"extract" 其餘參數
- 擷取 OP code
#define OPC(i) ((i)>>12)
- 擷取 OP code
-
由與 OP code 僅 4 個 bits(指令數最多為16), 我們將所有指令保存在 array 中, 其 value 為指向 function 的 pointer
#define NOPS (16) // number of instructions typedef void (*op_ex_f)(uint16_t instruction); // // ... other operations here // static inline void add(uint16_t i) { /* code here */ } static inline void and(uint16_t i) { /* code here */ } // // ... other operations here // op_ex_f op_ex[NOPS] = { br, add, ld, st, jsr, and, ldr, str, rti, not, ldi, sti, jmp, res, lea, trap };
-
此 ASM(Assembly Language) 為複製 LC3 規範中的指令
Instructin Op Code Hex Op Code Bin C function Comments br 0x0 0b0000 void br(uint16_t i) Conditional branch add 0x1 0b0001 void add(uint16_t i) Used for addition ld 0x2 0b0010 void ld(uint16_t i) Load RPC + offset st 0x3 0b0011 void st(uint16_t i) Store jsr 0x4 0b0100 void jsr(uint16_t i) Jump to subroutine and 0x5 0b0101 void and(uint16_t i) Bitwise logical AND ldr 0x6 0b0110 void ldr(uint16_t i) Load Base + offset str 0x7 0b0111 void str(uint16_t i) Store Base + offset rti 0x8 0b1000 void rti(uint16_t i) Return from interrupt(not implemented) not 0x9 0b1001 void not(uint16_t i) Bitwise complement ldi 0xA 0b1010 void ldi(uint16_t i) Load indirect sti 0xB 0b1011 void sti(uint16_t i) Store indirect jmp 0xC 0b1100 void jmp(uint16_t i) Jump/Reture to subroutine Unused 0xD 0b1101 NULL Reserved OP code lea 0xE 0b1110 void lea(uint16_t i) Load effective address trap 0xF 0b1111 void trap(uint16_t i) System trap/call -
根據上述指令, 可以分成以下五種主要的類型
- br, jmp, jsr : 用於程式的控制流程 : 從一條指令跳轉到另一條(類似於 goto) 或條件跳轉 (類似於 if)
- ld, ldr, ldi, lea : 將數據從 main memory 加載到暫存器中
- st, str, sti : 將數據從暫存器中存回至 main memory
- add, and, not : 對暫存器保存的數據進行(數學)運算
- trap : 特殊指令, 與鍵盤交互(讀取字符或數字), 並在 stdout 上打印訊息
Caution
可以進一步練習實現, XOR、除法、乘法, 以進一步了解ASM
-
RCND: 共三個狀態我們有 RCND 的原因是為了幫助我們進行分支。例如,我們想看看一個數字 a 是否比另一個數字 b 大。我們可以計算它們的差值,如果結果是負數,則RCND為1<<2。然後我們可以使用 br 指令跳到另一個指令,就像在高階程式語言中使用 IF 語句一樣
1<<0(P from positive) : if the last operation yielded a positive resule1<<1(Z from zero) : if the last operation yielded 01<<2(N from Negative) : if the last operation yielded a negative result- Example :
enum flags { FP = 1 << 0, FZ = 1 << 1, FN = 1 << 2 }; static inline void uf(enum regist r){ if(reg[r] == 0) reg[RCND] = FZ; // the value in r is zero else if(reg[r] >> 15) reg[RCND] = FN; // the value in r is z negative number else reg[RCND] = FP; // the value in r is a positive number }
- 使用 bit[5] 來表示使用的 add 版本, 0 for add1, 1 for add2
- The first one (add1) is used for adding the values of two registers:
SR1,SR2, and storing their sum inDR1 - The second one (add2) is used to add a “constant” value (IMM5) to
SR1, and store the result inDR1
DR, Destination Register
SR, Source Register
IMM5是一個正數或負數(共5 bits), 必須編寫一個擴展符號(sign)的函數, 使其與 16bits 格式相容// sign extend (sext) #define SEXTIMM(i) sext(IMM(i), 5) // if the bth bit of n is 1(number is negative), fill up with 1s the remaining bits else return the number as it is static inline uint16_t sext(uint16_t n ,int b){ return ((n >> (b-1))&1) ? (n | (0xFFFF << b)) : n; }
- Example :
uint16_t a = 0x16; // The 5th bit is 1 // This means that the number kept in the last 5 bits // is negative. // So it's important to store it as correctly in a uint16_t type // In this regard we apply SEXTIMM(a) to make it happen fprintf_binary(stdout, a); fprintf(stdout, "\n"); fprintf_binary(stdout, SEXTIMM(a)); fprintf(stdout, "\n"); // Output // // 0000 0000 0001 0110 <--- a in binary // 1111 1111 1111 0110 <--- SEXTIMM(a) in binary
- Example :
- 取得第 5 個 bit
#define FIMM(i) ((i>>5)&1)
- 取得 DR(store the add output)
#define DR(i) (((i)>>9)&0x7)
- 取得 SR1(參數)
#define SR1(i) (((i)>>6)&0x7)
- 取得 SR2(參數)
#define SR2(i) ((i)&0x7)
- 取得 IMM5(const value)
#define IMM(i) ((i)&0x1F)
- Add function
static inline void add(uint16_t i){ reg[DR(i)] = reg[SR1(i)] + (FIMM(i) ? SEXTIMM(i) : reg[SR2(i)]); // update the conditional register depending on the value of DR1 uf(DR(i)); }
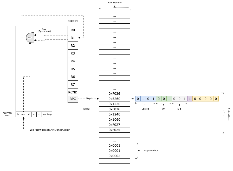
- 使用 bit[5] 來表示使用的 and 版本, 0 for and1, 1 for and2
- The first one (and1) applies binary & on the values of two registers:
SR1,SR2, and storing the result inDR1 - The second one (and2) applies binary & between
SR1andIMM5and stores the result inDR1 - And function
static inline void and(uint16_t i){ reg[DR(i)] = reg[SR1(i) & (FIMM(i) ? SEXTIMM(i) : reg[SR2(i)]); uf(DR(i)); }
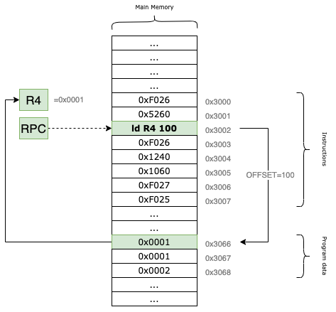
- 將數據從 main memory 載入到目標暫存器(DR1)
- 通過向
RPC暫存器加上偏移量獲得位置, 將RPC作為一個 referencing point
So let’s say the RPC points to the memory address: 0x3002. If the offset is set to 100 we just read the data from location 0x3002+100==0x3066 and load it in the destination register (in our case R4, but this can be everything).
-
instruction format
-
ld function
#define P0FF9 sext((i)&0x1FF, 9) static inline void ld(uint16_t i){ reg[DR(i)] = mr(reg[RPC] + POFF9(i)); uf(DR(i)); }
Caution
由於 offset 僅9 bits, 意味著偏移量最多可容納的最大整數為 ld指令將無法訪問某些內存區域(查看以下圖片), 為了解決上述問題, 我們使用 ldi 指令解決
-
將數據載入暫存器, 使用 中間地址(intermediary address) 訪問far-away的內存位置
So let’s say the RPC points to 0x3002. Just like before, we use a 9 bit offset to access another memory address at position (RPC+offset). In our case, the offset=100, so the memory address we read is 0x3066.
But instead of loading (directly) 0x3066 into DR, we look at the value contained by 0x3066, which is 0x3204. We now, bring the value of 0x3204 inside the DR.
-
instruction format
-
function format
static inline void ldi(uint16_t i){ // perform two memory reads reg[DR(i)] = mr(mr(reg[RPC]+POFF9(i))); uf(DR(i)); }
Caution
這並不表示 ldi 比 ld 更好, 因為 ldi 需要執行兩次讀取, 但能夠存取到更遠的 address
-
與從
RPC開始的ld指令相比,ldr使用不同的 Base address(保存在暫存器中的內存地址) -
instruction format
-
To extract
OFFSET6#define POFF(i) sext((i)&0x3F, 6)
-
function format
static inline void ldr(uint16_t i){ reg[DR(i)] = mr(reg[SR1(i)] + POFF(i)); uf(DR(i)); }
-
將內存地址加載到暫存器中, 與
ld、ldi和ldr相比,lea並不將程序數據帶入暫存器, 而是將內存地址帶入暫存器Let’s say the RPC points to 0x3002. The offset9=100, so we load into the DR register the result of 0x3002+100=0x3066.
-
instruction format :
-
function format :
static inline void lea(uint16_t i){ reg[DR(i)] = reg[RPC] + POFF9(i); uf(DR(i)); }
-
對
SR1執行 bitwise complement, 並儲存至DR1 -
instruction format :
-
function format :
static inline void not(uint16_t i){ reg[DR(i)] = ~reg[SR1(i)]; uf(DR(i)); }
-
將給定暫存器的值儲存到內存位置
Let’s say RPC is pointing to 0x3002, and SR refers to R1=0x0001. The st instruction will write the value of R1 to RPC+offset.
-
instruction format :
-
function format :
static inline void st(uint16_t i){ mw(reg[RPC] + POFF9(i), reg[DR(i)]); }
Caution
- 與
ld相同,st也受到內存尋址能力的限制, 為此, 引入sti指令 - 無須更新任何flag(uf), 因為沒有對暫存器進行運算(加減乘除)
-
不直接寫入內存地址, 而是使用其作為中間寫入地址。這個中間地址包含要寫入的實際內存地址
To write the content of R1=0x0001 (SR), to 0x3204, we will first have to read the memory location RPC+offset = 0x3204. Here we will find the value of the address we wish to write to: 3204.
-
instruction format :
-
function format :
static inline void sti(uint16_t i){ mw(mr(reg[RPC] + POFF9(i)), reg[DR(i)]); }
-
使用指定的 Base Address, 並將偏移量(OFFSET6)加入, 而不是
RPC開始 -
instruction format :
-
function format :
static inline void str(uint16_t i){ mw(reg[SR1(i)] + POFF(i), reg[DR(i)]); }
Let’s say our RPC=0x3002, and R2=0x3066 (this is BASER). When the jmp instruction is encountered, RPC will jump directly to the memory address kept in BASER (R2=0x3066), and the program flow will continue.
-
通常情況下,
RPC會在每條指令執行後自動遞增 -
jmp則是將RPC跳轉到 BASER 內容指定位置的指令 -
instruction format :
-
get BASER macro :
#define BR(i) (((i)>>6)&0x7)
-
function format :
static inline void jmp(uint16_t i){ reg[RPC] = reg[BR(i)]; }
類似於 high-level 程式語言的
go to
In the above example, RPC is initially set to 3002. At this position, it’s a jsr instruction. We store RPC in R7 to remember from where we branched off. Then we jump with the required offset=100, to position 0x3066, and we update RPC to this.
-
實現子程序跳轉
- 有一個輸入(從暫存器讀取數據)和一個輸出(返回值放入暫存器)
-
instruction format :
-
function format :
- save the
RPCin R7(紀錄是從哪裡跳轉的) - if bit[11] = 0, set the
RPC=BASER - if bit[11] = 1, set the
RPC=RPC+ OFFSET11
#define FL(i) (((i)>>11)&0x1) #define POFF11(i) sext((i)&0x7FF, 11) static inline void jsr(uint16_t i){ reg[R7] = reg[RPC]; reg[RPC] = (FL(i)) ? reg[RPC] + POFF11(i) : reg[BR(i)]; }
- save the
-
與
jsr指令相似, 最大的不同在於只有在條件達成的情況下才會跳轉 -
instruction format :
-
function format :
#define FCND(i) (((i)>>9)&0x7) static inline void br(uint16_t i){ if(reg[RCND] & FCND(i)){ reg[RPC] += POFF9(i); } }
-
使我們能夠與 I/O 交互, 還能與其他設備交互
-
instruction format :
- 使用
TRAPVECT來決定要使用哪個函數- 每個可用的 trap 都保存在
trp_ex中, array中包含指向相關C函數的 pointer
- 每個可用的 trap 都保存在
- 使用
-
supported 8 trap functions
| Trap Function | TRAPVECT | trp_ex[] index | Comments |
|---|---|---|---|
| tgetc | 0x20 | 0 | 從鍵盤讀取字符並複製到 R0 |
| tout | 0x21 | 1 | 將儲存於 R0 字符輸出到控制台 |
| tputs | 0x22 | 2 | 打印字符串。字符保存在連續的內存位置。從 R0 中的指定位置開始。如果遇到 0x0000, 則停止打印 |
| tin | 0x23 | 3 | 從鍵盤讀取字符並複製到 R0 中, 然後將字符打印至控制台 |
| tputsp | 0x24 | 4 | 未實做。用於在每個內存位置儲存兩個字符, 而不是一個字符 |
| thalt | 0x25 | 5 | 停止程式的執行。VM 停止運行 |
| tinu16 | 0x26 | 6 | 從鍵盤讀取 uint16_t 並儲存在 R0 中 |
| toutu16 | 0x27 | 7 | 將儲存於 R0 的 uint16_t 輸出至控制台 |
Caution
%hu: 以 unsigned short 方式
-
function format :
#define TRP(i) ((i)&0xFF) static inline void tgetc() { /* code */ } static inline void tout() { /* code */ } static inline void tputs() { /* code */ } static inline void tin() { /* code */ } static inline void tputsp() { /* code */ } static inline void thalt() { /* code */ } static inline void tinu16() { /* code */ } static inline void toutu16() { /* code */ } enum { trp_offset = 0x20 }; typedef void (*trp_ex_f)(); trp_ex_f trp_ex[8] = { tgetc, tout, tputs, tin, tputsp, thalt, tinu16, toutu16 }; static inline void trap(uint16_t i) { trp_ex[TRP(i)-trp_offset](); }
-
tgetc
static inline void tgetc(){ reg[R0] = getchar(); }
-
toutc
static inline void toutc(){ fprintf(stdout, "%c", (char)reg[R0]); }
-
tputs
static inline void tputs(){ uint16_t *p = mem + reg[R0]; while(*p){ fprintf(stdout, "%c", (char)*p); p++; } }
-
tin
- 與 tgetc 相似, 唯一不同在儲存至
R0後打印至控制台
static inline void tin(){ reg[R0] = getchar(); fprintf(stdout, "%c", reg[R0]); }
- 與 tgetc 相似, 唯一不同在儲存至
-
thalt
- 為了跟蹤正在運行的虛擬機, 使用全局 bool 變數(running)。一旦調用
thalt, running 就會被設置為 false, 此時虛擬機就會自動停止
static inline void thalt(){ running = false; }
- 為了跟蹤正在運行的虛擬機, 使用全局 bool 變數(running)。一旦調用
-
tinu16
- 從鍵盤輸入讀取
uint16_t並儲存至R0
static inline void tinu16(){ fscanf(stdin, "%hu", ®[R0]); }
- 從鍵盤輸入讀取
-
toutu16
- 將
R0的內容以uint16_t形式寫入至終端(輸出)
static inline void toutu16(){ fprintf(stdout, "%hu\n", reg[R0]); }
- 將
- the main loop
bool running = true; uint16_t PC_START = 0x3000; void start(uint16_t offset){ reg[RPC] = PC_START + offset; while(running){ uint16_t i = mr(reg[RPC]++); op_ex[OPC(i)](i); } }
- load programs into VM
void ld_img(char *fname, uint16_t offset){ FILE *in = fopen(fname, "rb"); if(in == NULL){ fprintf(stderr, "Can't open file %s.\n", fname); exit(1); } uint16_t *p = mem + PC_START + offset; fread(p, sizeof(uint16_t), (UINT16_MAX-PC_START), in); fclose(in); }
- the main method
int main(int argc, char **argv){ ld_img(argv[1], 0x0); start(0x0); return 0; }
- 從鍵盤中讀取兩個數字並相加輸出至
stdout - ASM instruction format
0xF026 // 1111 0000 0010 0110 TRAP tinu16 ;read an uint16_t in R0 0x1220 // 0001 0010 0010 0000 ADD R1,R0,x0 ;add contents of R0 to R1 0xF026 // 1111 0000 0010 0110 TRAP tinu16 ;read an uint16_t in R0 0x1240 // 0001 0010 0010 0000 ADD R1,R1,R0 ;add contents of R0 to R1 0x1060 // 0001 0000 0110 0000 ADD R0,R1,x0 ;add contents of R1 to R0 0xF027 // 1111 0000 0010 0111 TRAP toutu16 ;show the contents of R0 to stdout 0xF025 // 1111 0000 0010 0101 HALT ;halt
- execute
make gcc -Wall --std=c11 sum_program.c ./vm.out sum.obj


























